口径60mm 3枚玉アポクロマート天体望遠鏡、NAKOH「60GT 鏡筒」発売
【2026年4月11日 星ナビ編集部】
サイトロンジャパンが、EDガラスと日本製のSDガラスを組み合わせた3枚玉アポクロマート光学系を搭載した、奈光株式会社の天体望遠鏡ブランド「NAKOH(ナコー)」のコンパクトな天体望遠鏡「60GT 鏡筒」と、専用オプションの「60GT 1.0×フラットナー」「60GT 0.65×レデューサー」を新発売。

(左から)「60GT 1.0×フラットナー」、「60GT 0.65×レデューサー」、「NAKOH 60GT 鏡筒」(提供:株式会社サイトロンジャパン、以下同)
- ■発売概要
-
- ブランド:NAKOH(ナコー)
- 商品名:60GT 鏡筒 / 60GT 1.0×フラットナー / 60GT 0.65×レデューサー
- 希望小売価格:
- 60GT 鏡筒:税込131,835円
- 60GT 1.0×フラットナー: 税込49,335円
- 60GT 0.65×レデューサー:税込65,835円
- 直営店「シュミット」価格:
- 60GT 鏡筒:税込131,835円
- 60GT 1.0×フラットナー: 税込49,335円
- 60GT 0.65×レデューサー:税込65,835円
- 発売日:3月27日(金)
- その他:取り扱いは天体望遠鏡専門店およびサイトロンジャパン直営店のみ
■ 60GT 鏡筒の製品特長
- SD ガラス+ED ガラス採用の3枚玉アポクロマート光学系
-
- 有効口径 60mm・焦点距離 360mm(口径比 F6)の3枚玉アポクロマート(APO)望遠鏡。
- 3枚のレンズのうち1枚に日本製のSDガラス、1枚にEDガラスを贅沢に採用。SDガラスとEDガラスの異常分散特性を最大限に活用することで、異なる波長の光の屈折率差を大幅に低減し、色収差を効果的に抑制。極めてシャープでコントラストの高い星像を実現する。
- 同時発売の専用補正レンズを使用することで、フルサイズ対応のコンパクトなフラットフィールドアストログラフとして使用できる。

NAKOH 60GT 鏡筒の光学系
- 均質でフラットな撮像範囲
-
- フラットナー使用時のスポット半径は中心で約2.1μm、フルサイズ最周辺で約2.5μmと中心から周辺まで均質でフラットな撮像範囲を得られる。
- レデューサー使用時は、大きい対象や淡い対象の撮影に適したF3.9の明るさとなる。スポット半径は中心で約2.7μm、フルサイズ最周辺で約4.6μm。

スポットダイアグラム。画像クリックで表示拡大

光学系。画像クリックで表示拡大
- 検査による確かな品質
-
- ZYGO干渉計による光学性能の精密検査を実施。ストレール比は97.6%、RMS値は0.026λ(λ/38に相当)、PV値は非常に高精度な組み立てを示す、0.168λを達成。
- ロンキー試験において、焦点内外像の均質さから、レンズの組み込み、研磨精度の高さが確認されている。

ZYGO干渉計による光学性能の測定画面。画像クリックで表示拡大

間隔が均一なロンキー縞
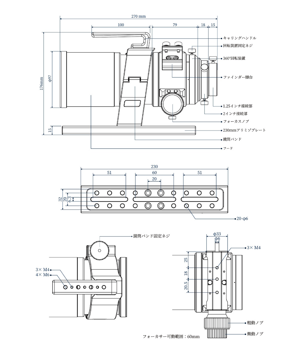
- 拡張性と機能性の高い各種装備
-
- デュアルスピードラック&ピニオンフォーカサーを搭載。32mmのフォーカスストロークを備え、高精度スケールにより微細なピント調整が可能。
- フォーカサー底部にM4ネジ穴を備え、市販の電動フォーカサーの多くに対応。
- 鏡筒後部に高精度な360°視野回転装置を搭載。精密なインデックスを備え、ローレット付きロックノブにより回転角度を確実に保持できる。
- 全長230mmの45mm幅ドブテイルバーを採用。曲線デザインの金属製鏡筒バンドは、大型の手締めロックボルトを装備し、鏡筒を確実に固定しつつ開閉操作をスムーズに行うことができる。
- 金属製キャリングハンドルは取り外し可能な設計で、取り回しやすさと使いやすさを兼ね備えている。

- ■ 60GT 鏡筒の主な仕様
-
- 口径:60mm
- 焦点距離:360mm
- 口径比:F6
- 光学系:3枚玉アポクロマート、SDガラス(日本製)1枚・EDガラス1枚採用
- 対応イメージサークル:⌀44mm(フルサイズ対応:フラットナー/レデューサー装着時)
- 分解能:1.93′′
- 極限等級:10.66等星
- 集光力:肉眼の約73倍
- 全長:270mm
- 質量:約2.94kg(バンド・プレート込み)
- 接続規格:31.7mm/50.8mm
- フォーカス方式 デュアルスピード金属製ラック&ピニオン式(63.5mm 径・ストローク 32mm)
- 標準付属品:キャリングハンドル、鏡筒バンド、アリガタプレート、31.7mm 接眼アダプター、50.8mm 接眼アダプター、製品説明書、保証書
■ 60GT 1.0×フラットナーの製品特長
- フルサイズ周辺でも光量95%以上を確保
-
- NAKOH 60GTのために専用設計されたフラットナー。
- 像面湾曲を高精度に補正し、中心から周辺まで星像を均一でシャープな円形に保つ。フルサイズ周辺でも光量95%以上を確保し、周辺減光を効果的に抑制することで、淡い天体のディテールをより鮮明に描写する。
- 焦点距離360mm・F6という60GTの基本スペックをそのまま維持。3枚構成の専用設計により、フルサイズセンサーでも中心から周辺まで平坦な像面と抜群の星像シャープネスを提供し、60GT 本来の光学性能を最大限に発揮する。

- ■ 60GT 1.0×フラットナー仕様
-
- 取付ネジ:望遠鏡側 M68×1 / カメラ側 M48×0.75・M54×0.75
- バックフォーカス:55mm
- 質量:約0.53kg
■60GT 0.65×レデューサーの製品特長
- 見かけの大きい天体の撮影に適した光学系を実現
-
- NAKOH 60GTのために専用設計された0.65倍レデューサー。
- 60GTと併用することで、システムの口径比をF6からF3.9へと高速化。露光時間の短縮が可能となり、ディープスカイ撮影における効率を大きく向上させる。あわせて焦点距離は234mmとなり視野が拡大。オリオン大星雲や北アメリカ星雲など、見かけの大きい天体の撮影に適した光学系を実現する。
- 日本製SDガラス1枚を含む4枚構成の光学系を採用し、色収差を効果的に軽減。像面湾曲およびコマ収差を丁寧に補正し、F3.9の明るさながら、⌀44mmフルサイズをカバーし、画面全域において均質な星像を結ぶ。

- ■ 60GT 0.65×レデューサーの仕様
-
- 取付ネジ:望遠鏡側 M68×1 / カメラ側 M48×0.75・M54×0.75
- バックフォーカス:55mm
- 質量:約0.58kg
関連記事
- 2026/04/11 天体写真から日常撮影までをこなす、Askar「FRA400C 鏡筒」発売
- 2026/04/11 超高解像ペッツバール型アストログラフ Askar「SQA130 鏡筒」発売
- 2026/02/03 サイトロンジャパンが日本製フラッグシップ天体望遠鏡を発売
- 2026/01/23 軽量設計と高精度オートフォーカスの大口径望遠レンズ「LAOWA 200mm F2 AF FF」発売
- 2026/01/22 サイトロンジャパンが天体望遠鏡ブランド「NAKOH」の取り扱いを開始
- 2026/01/11 世界150台限定の特別モデルのスマート望遠鏡「Vespera II-X Edition」発売
- 2025/12/16 Sky-Watcherのバローレンズ「ノマド」2種とアイピース「エメラルド」新発売
- 2025/12/10 4枚玉EDフラットフィールド屈折、Askar「60F鏡筒」と「91F鏡筒」新発売
- 2025/11/27 サイトロンジャパンとビクセン、アストロアーツから2026年天文カレンダー発売
- 2025/11/25 Sky-Watcherの口径100mm高性能Hα太陽望遠鏡「ヘリオスター100Hα」新発売
- 2025/11/13 11月16日トークショー「2026年の天文現象」開催、23日まで「サイトロンジャパン天体写真コンテスト2025」受賞作品展
- 2025/11/08 サイトロンジャパン新商品「レデューサー0.5×アメリカンサイズ」
- 2025/10/22 11月16日~23日「サイトロンジャパン天体写真コンテスト2025」受賞作品展
- 2025/10/22 見掛視界70°超の広視界双眼鏡「SIGHTRON SV842 / 1042 ED SWA」新発売
- 2025/09/23 複数メーカー対応のスマート天体撮影コントローラー「StellaVita」発売
- 2025/08/29 天体導入・追尾機能搭載マウント+三脚のセット Sky-Watcher「フュージョン 120i シリーズ」発売
- 2025/08/22 フルフレームミラーレス用「LAOWA 12mm F2.8 Lite Zero-D FF」受注開始
- 2025/08/09 眼視と撮影の両方で活躍するAskar「80ED 鏡筒」とアクセサリー3種が新発売
- 2025/07/19 初心者に最適な本格派入門用天体望遠鏡セット「infini D50」一般販売へ
- 2025/07/14 1本で円周魚眼と対角魚眼「LAOWA 8-15mm F2.8 FF Zoom Fisheye」











![[アストロアーツ かけはしプロジェクト:つなげよう日本 子供達の未来を守るために]](https://www.astroarts.co.jp/official/kakehashi/image/kakehashi_s.jpg)